H-082 Тримач дроту кутовий з Niro
Опис та призначення
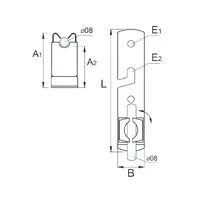
• призначений для прокладання дроту ø 8 мм по металевій чи шиферній покрівлі або парапетах
• надійне кріплення з опорою для кращої стійкості при прокладанні горизонтальних ліній на дахах з ухилом
• тримач можна повернути на 90° відносно основи
• кріпити за допомогою 2..3-х шурупів (арт. К-901)
• можливість кріплення до існуючих дахових цвяхів на шиферних дахах завдяки гаку
• доступні версії виконання:
NI – тримач з нержавіючої сталі / основа з нержавіючої сталі
| артикул | H-082 |
|---|---|
| код | 1308 023 |
| матеріал основи | NI |
| матеріал тримача | NI |
| висота А1/ А2 | 52 / 36 mm |
| розмір LхB | 110 х 24 mm |
| отвір Е | [2x] Ø 5 mm / Ø 6,5 mm |


