Модуль газового пожежогасіння Імпульс-20 з настінним кріпленням (МГП.І-20.Е.Н)
Опис та призначення
Місткість балона модуля: 2,2+0,3, 22,5±0,5 л
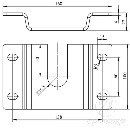
Кріплення: потолочне, настінне
Область застосування: для пожежегасіння об'ємів до 30 м3: невеликі серверні, ЦОД, архіви, електричні щитові, сховища, дизель-генераторних установок, машинні відділення ліфтів, станції мобільного зв'язку, бібліотеки, депозитарії.
Можливість приєднання рукава високого тиску: ні
Спосіб приведення модуля в дію
Автоматичний пуск – шляхом руйнування термочутливої колби теплового замку ЗПП піротехнічним пускачем (одноразової дії) при подачі електричного імпульсу від приладу приймально-контрольного пожежного.
Ручний (дистанційний) пуск шляхом руйнування термочутливої колби теплового замку ЗПП піротехнічним пускачем під дією електричного імпульсу від пускового пристрою шляхом натискання кнопки дистанційного пуску.
Автономний пуск - при використанні модуля в якості автономної системи пожежогасіння, за рахунок руйнування термочутливої колби ЗПП при підвищенні температури в об'ємі, що захищається, понад 680С.
ТЕХНІЧІ ХАРАКТЕРИСТИКИ МОДУЛЯ
| МГП Імпульс-2 | МГП Імпульс-20 | ||
| Робочий тиск (Рраб), за температури 20+2 0С | бар | 25,0 ± 2,0 | |
| Тиск спрацювання запобіжного пристрою мембранного типу | бар | 50,0 ± 5,0 | |
|
Максимальна / мінімальна загрузка ГВР в модулі HFC 125 HFC 227ea FK-5-1-12 |
кг |
1,9 / 1,1 2,1 / 1,1 2,1 / 1,1 |
19 / 11 21 / 11 21 / 11 |
| Тривалість випуску заряду ГВР, не більше | с | 10 | |
| Маса модуля конструктивна (з кронштейном кріплення), не більше | кг | 4,0 | 11,0 |
| Маса модуля в упаковці (брутто), без заряду ГВР, не більше | кг | 4,3 | 13,5 |
| Діапазон температур експлуатації модулів | 0С | від мінус 10 до плюс 50 | |
| Строк служби, не менше | років | 10 |
Параметри електричного пуску піротехнічного пускача
| Пускова напруга на контактах піротехнічного пускача | В | від 0,9 до 30,0 |
| Струм повного запалювання (спрацювання) заряду піротехнічного пускача, не менше | А | 0,3 |
| Опір електричного кола | Ом | від 1,4 до 3,0 |
| Гарантований термін придатності піротехнічного пускача (з дати виготовлення) при нормальних умовах перебування в режимі «чергування» («зберігання») | років | 2 |
Параметри електричного кола реле тиску
| Тиск спрацювання реле тиску | бар | 2,0 ± 0,5 |
| Напруга на контактах реле тиску постійного струму, не більше | В | 30,0 |
| Сила струму, не більше | А | 0,3 |
- Маса: 13.5 кг
- Діапазон робочих температур: від -10 до +50 °С
- Місткість балона модуля: 22.5 л
- Робочий тиск: 50.0 ± 5.0 бар
- Робочий тиск за температури 20 С: 25.0 ± 2.0 бар


