Модуль газового пожежогасіння ІМПУЛЬС-2-Т, 20-Т
Опис та призначення
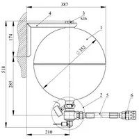
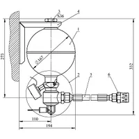
Місткість балона модуля: 2,2+0,3, 22,5±0,5 л
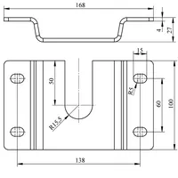
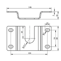
Кріплення: потолочне, настінне
Область застосування: для пожежогасіння об'єму електричних шаф, фальшстелі, фальшпідлоги. Трубна модифікація модуля дозволяє розміщувати модуль за межами об'єму, що захищається, і подавати ГВР по РВД через насадок
Можливість приєднання рукава високого тиску: так
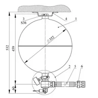
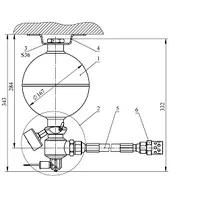
Спосіб приведення модуля в дію
Автоматичний пуск – шляхом руйнування термочутливої колби теплового замку ЗПП піротехнічним пускачем (одноразової дії) при подачі електричного імпульсу від приладу приймально-контрольного пожежного.
Ручний (дистанційний) пуск шляхом руйнування термочутливої колби теплового замку ЗПП піротехнічним пускачем під дією електричного імпульсу від пускового пристрою шляхом натискання кнопки дистанційного пуску.
Автономний пуск - при використанні модуля в якості автономної системи пожежогасіння, за рахунок руйнування термочутливої колби ЗПП при підвищенні температури в об'ємі, що захищається, понад 680С.
B (горіння рідких речовин),
E (електрообладнання під напругою),
C (горіння газоподібних речовин)
Автоматичні вогнегасники
| ТЕХНІЧІ ХАРАКТЕРИСТИКИ МОДУЛЯ | |||
| МГП ІМПУЛЬС-2-Т | МГП ІМПУЛЬС-20-Т | ||
| Робочий тиск (Рраб), за температури 20+2 0С | бар | 25,0 ± 2,0 | |
| Тиск спрацювання запобіжного пристрою мембранного типу | бар | 50,0 ± 5,0 | |
|
Максимальна / мінімальна загрузка ГВР в модулі HFC 125 HFC 227ea FK-5-1-12 |
кг |
1,9 / 1,1 2,1 / 1,1 2,1 / 1,1 |
19 / 11 21 / 11 21 / 11 |
| Тривалість випуску заряду ГВР, не більше | с | 10 | |
| Маса модуля конструктивна (з кронштейном кріплення), не більше | кг | 4,0 | 11,0 |
| Маса модуля в упаковці (брутто), без заряду ГВР, не більше | кг | 4,3 | 13,5 |
| Діапазон температур експлуатації модулів | 0С | від мінус 10 до плюс 50 | |
| Можливість приєднання рукава високого тиску (РВТ) | - | так (в комплект поставки не входить) |
|
| Строк служби, не менше | років | 10 | |
| Параметри електричного пуску піротехнічного пускача | |||
| Пускова напруга на контактах піротехнічного пускача | В | від 0,9 до 30,0 | |
| Струм повного запалювання (спрацювання) заряду піротехнічного пускача, не менше | А | 0,3 | |
| Опір електричного кола | Ом | від 1,4 до 3,0 | |
| Гарантований термін придатності піротехнічного пускача (з дати виготовлення) при нормальних умовах перебування в режимі «чергування» («зберігання») | років | 2 | |
| Параметри електричного кола реле тиску | |||
| Тиск спрацювання реле тиску | бар | 2,0 ± 0,5 | |
| Напруга на контактах реле тиску постійного струму, не більше | В | 30,0 | |
| Сила струму, не більше | А | 0,3 | |
Умовне позначення при замовленні:
| МГП | Імпульс-ХХХ-Т | (25 | -ХХХ | -18) | Х | ТУ У 28.2-30784208-014:2016 |
| 1 | 2 | 3 | 4 | 5 | 6 | |
|
де: 1. модуль газового пожежогасіння; 2. тип модуля: 2, 20; 3. робочий тиск, бар (за температури 20 °С); 4. номінальна місткість балона модуля, л: 2,2 или 22,5; 5. діаметр умовного проходу ЗПП модуля, мм; 6. тип кріплення модуля (С –стельовий; Н –настінний); |
||||||


