Електропривод вогнезатримувальних клапанів Belimo BF24
Опис та призначення
Принцип дії
При переміщенні заслінки клапана у нормальне робоче положення зводиться зворотна пружина.
У разі припинення подачі живлення енергія, запасена в пружині, повертає заслінку в охоронне положення. Привід не потребує кінцевих вимикачів та захищений від перевантажень.
Система сигналізації
Привід обладнаний двома фіксованими перемикачами для сигналізації кінцевих положень. Проміжне положення приводу вказує на механічний індикатор (стрілка).
Ручне керування
Можливе ручне керування клапаном, а також фіксування його у будь-якому положенні. Розблокування здійснюється або вручну шестигранним ключем із комплекту постачання, або автоматично при подачі живлення.
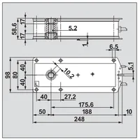
У комплект входить перехідник для встановлення на вал квадратного перерізу 12/10 мм.
| Параметр | Значення |
|---|---|
| Артикул | BF24 |
| Напруга живлення | 24 В ~, 50/60 Гц |
| Діапазон номінальної напруги | 19,2…28,8 В ~ / 21,6…28,8 В = |
| Розрахункова потужність | 10 ВА |
| Споживана потужність | 7 Вт |
| Кабель живлення/керування | 1 м, 2×0,75 мм² |
| Кабель перемикачів положення | 1 м, 6×0,75 мм² |
| Напрямок повороту | Вибирається установкою L/R |
| Час повороту (двигун) | 120 с |
| Час повернення (пружина) | ~16 с при +20 °C |
| Крутний момент (двигун) | 18 Н·м |
| Крутний момент (пружина) | 12 Н·м |
| Ступінь захисту | IP54 |
| Температура експлуатації | -30 … +50 °C |
| Температура зберігання | -40 … +80 °C |
| Вага | 2800 г |


