Опис та призначення
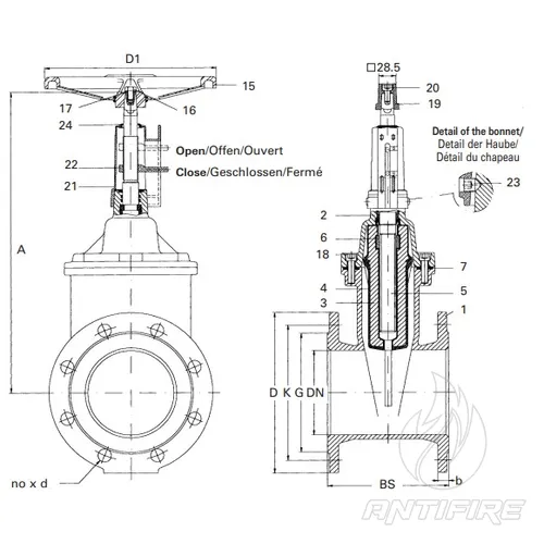
Засувки шиберні (запірні клапани) серії 05-47 застосовуються як запірний пристрій на трубопроводах для води при температурі до 95°С. С, тиск до 163,2 м вод. ст.(1,6 МПа або 16 бар) та інших потреб господарської діяльності. Вони можуть комплектуватися вказівником положення засувки для індикації стану клапана (закрито/відкрито).
Відповідно до НПБ 88-2001: «Тип запірної арматури (засувки), що застосовується в установках пожежогасіння, повинен забезпечувати візуальний контроль її стану («закрито», «відкрито»). Допускається використання датчиків контролю положення запірної арматури.
Поставляється окремо:
Засувки шиберні серії 05-47 можуть комплектуватися вказівником положення засувки.
65,
80,
100,
125,
150,
200,
250,
400,
350,
300
14,
12,
10,
8,
6,
4,
3,
2,
2 1/2
Розміри (умовний діаметр) Ду: DN50, DN65, DN80, DN100, DN125, DN150, DN200, DN250, DN300
Тип: З невисувним приєднання: Фланцева
Максимальний робочий тиск: PN16 та PN25
Корпус: Чугун
